播放大学生情侣住酒店,中文在线字幕观看电视剧17.3,赵总极品寻花最新章节更新

    深圳市富稳兴电子科技有限公司

        Shen Zhen Fu Wen Xing ELECTRONIC TECHNOLOGY CO.,LTD.

首页 >> 产品中心 >>DC开关系列 >>轻触开关 >> 轻触开关按钮按键2*4MM 侧按带支架
详细说明

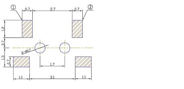
轻触开关按钮按键2*4MM 侧按带支架

暂无价格
产品编号 轻触 FWX2*4MM
  • 产品说明


联系方式

联系热线:400-000-0000

公司邮箱:123456@abc.com

公司传真:123456abc

公司地址:某某市 某某去  某某街道101号 

关注我们

微信公众号

微信公众号

Copyright 2014-2025,www.xxxxx.com,All rights reserved

技术支持: 建站ABC | 管理登录
×
seo seo
主站蜘蛛池模板: 嘉黎县| 新竹县| 新疆| 思茅市| 云梦县| 德江县| 高邑县| 长岛县| 宁波市| 威远县| 揭西县| 五家渠市| 平利县| 鄂托克旗| 绥宁县| 舟曲县| 南皮县| 深泽县| 华阴市| 福鼎市| 南乐县| 松阳县| 金塔县| 巴塘县| 建昌县| 三穗县| 抚松县| 巴彦淖尔市| 大荔县| 峨眉山市| 商都县| 出国| 家居| 邓州市| 呼伦贝尔市| 庆云县| 普安县| 静宁县| 微博| 平顺县| 永和县|